通信管理レポートを印刷する
ファクス送受信の通信結果履歴を通信管理レポートとして自動または手動で印刷します。

自動的に印刷された通信管理レポートに記載されている内容は、印刷したあと消去されます。過去の通信結果を管理するときは、自動的に印刷されたレポートを保管しておくことをお勧めします。
50通信ごとにこのレポートを自動的に印刷するかどうかを以下の設定項目で設定できます。詳しくは、使用している機種の使用説明書を参照してください。
設定画面タイプ:標準
[ファクス設定]
[その他]
[レポート出力設定]
[レポート自動印刷設定]設定画面タイプ:従来
[ファクス設定]
[ファクス 一般設定]タブ
[通信管理レポート自動印刷]
セキュリティーの設定によっては、レポートが自動で印刷されません。
通信管理レポートを手動で印刷するには、[通常印刷]、[文書番号別印刷]、[ユーザー別印刷]、[期間指定印刷]から印刷方法を選択します。
通常印刷
送受信された順番に、すべての通信結果を印刷します。
文書番号別印刷
指定した文書番号の通信結果を印刷します。
ユーザー別印刷
送信者ごとに通信結果を印刷します。
期間指定印刷
指定した期間の通信結果を印刷します。
[送受信確認/印刷]を押します。

[通信管理レポート印刷]を押します。
印刷方法を選択します。
手順3で[文書番号別印刷]を選択したときは、文書番号(4桁の数字)をテンキーで入力します。
手順3で[ユーザー別印刷]を選択したときは、一覧からユーザーを選択し、[OK]を押します。
手順3で[期間指定印刷]を選択したときは、期間を指定します。
[スタート]を押します。
[閉じる]を2回押します。

通信管理レポートに印刷される通信結果の件数については、使用している機種の使用説明書を参照してください。
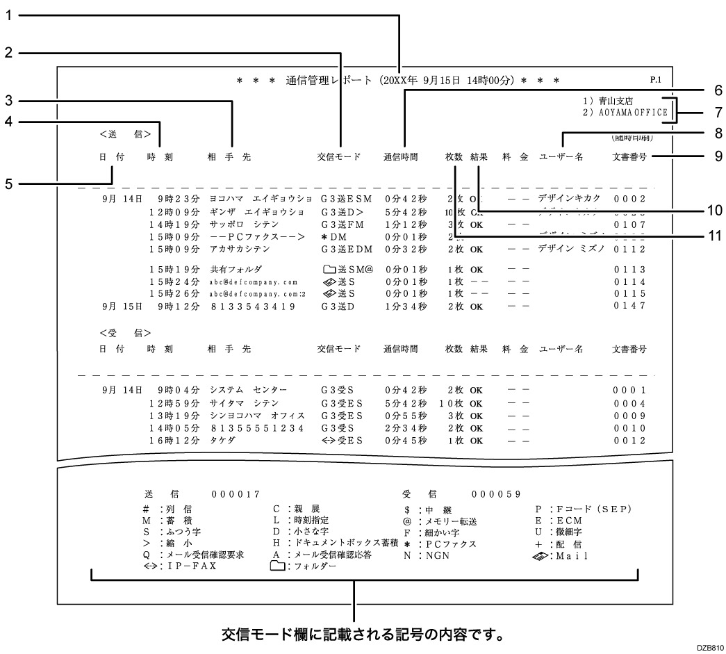
通信管理レポートに印字される項目について説明します。

印刷日時
レポートを印刷した日付と時間が記載されます。交信モード
ファクス送受信のとき
送信を表す「送」、受信を表す「受」の文字のあとに、通信モードがアルファベットや記号で記載されます。
増設G3 ユニットを装着しているときは、回線の種類が「G31」「G32」「G33」「IG3」のいずれかで記載されます。メールまたはインターネットファクス送受信のとき
(メールマーク)、送信を表す「送」、受信を表す「受」の文字のあとに、通信モードがアルファベットや記号で記載されます。
受信時の通信モードは、添付ファイルがTIFF形式のときはインターネットファクスでの受信、添付ファイルがPDFまたはJPEG形式のときはMail to Printで受信します。
「拡張送信」で受信確認を設定した送信メールには「Q」が記載されます。また、受信確認応答メールには「A」が記載されます。IP-ファクス送受信のとき
(IP-ファクスマーク)、送信を表す「送」、受信を表す「受」の文字のあとに、通信モードがアルファベットや記号で記載されます。フォルダー送信のとき
(フォルダーマーク)、送信を表す「送」の文字のあとに、通信モードがアルファベットや記号で記載されます。
相手先
ファクス送信のとき
テンキーで入力したファクス番号またはアドレス帳に登録されている名称が記載されます。ファクス受信のとき
相手先に登録されている発信元名称(表示用)、または発信元ファクス番号が記載されます。メールまたはインターネットファクス送信のとき
入力したメールアドレスまたはアドレス帳に登録されている名称が記載されます。
同報送信のときは、メールアドレスまたは相手先名称に続けて、同報送信の宛先件数が記載されます。
相手先の欄に「--PCファクス-->」と表示されたときの通信結果は、PCから本機への通信結果を示します。相手先への通信結果を確認するときは、同じ文書番号で相手先の欄に送信した相手先が表示されている行の結果欄を確認してください。メールまたはインターネットファクス受信のとき
送信者のメールアドレス(インターネットファクス宛先)が記載されます。IP-ファクス送受信のとき
送信時は、入力したIP-ファクス宛先またはアドレス帳に登録されている名称が記載されます。受信時は、ファクス宛先と同じように記載されます。フォルダー送信のとき
アドレス帳に登録されている名称が記載されます。
時刻
送受信を開始した時刻です。日付
送受信した月日です。通信時間
送受信にかかった時間です。99分59秒を超えると、「****分秒」と記載されます。発信元名称(印字用)登録内容
発信元名称(印字用)に登録されている内容が記載されます。ユーザー名
送信者名が記載されます。文書番号
文書の管理番号です。結果
送受信の結果が記載されます。
OK
全ページ正しく送受信できました。インターネットファクスまたはメールの送信時に「拡張送信」の受信確認を設定したときは、受信確認の応答メールを受信したことを示します。
受信配信のときは、「+」が記載されます。エラー
正しく送受信できませんでした。
本機で印刷できない形式のファイルを受信しました。
メールに添付されたJPEG/PDFファイルが、認証エラーやデータエラーなどにより印刷できませんでした。
--
本機に登録されているメールサーバーまでインターネットファクスまたはメールが送信されました(相手先までメールが到達したことを示すものではありません)。
PCファクスのときはパソコンから本機までの通信結果です。電源断
交信中に電源が切れました。一部原稿が送信されていません。
枚数
送受信した枚数です。999枚を超えると、「***枚」と記載されます。

Mail to Printで受信したときは、実際の受信枚数および線密度にかかわらず、「枚数」の欄には「1枚」、「交信モード」の欄にはふつう字を表す「S」が印字されます。本機で印刷できない形式のファイルを受信したときは、「結果」の欄に「エラー」と印字されます。
以下の設定項目で、ファクス送信のときに「相手先」に記載される情報を相手先に登録されている発信元名称(表示用)、または発信元ファクス番号に変更できます。詳しくは、使用している機種の使用説明書を参照してください。
設定画面タイプ:標準
[ファクス設定]
[導入時詳細設定]
[パラメーター設定]
[パラメーター設定](スイッチ06ビット0)設定画面タイプ:従来
[ファクス設定]
[導入設定]タブ
[パラメーター設定](スイッチ06ビット0)
通信管理情報を、管理者のメールアドレスにメールで送信します。メールには、「通信管理」で始まる件名が付けられます。
50通信ごとに自動的に送信します。通信管理情報は、CSV形式のファイルとしてメールに添付されます。添付されるCSV形式のファイルには、「RECORDS+年月日時分.csv」の形式でファイル名が付けられます。たとえば、送信する日時が20XX年8月20日14時40分のときのファイル名は「RECORDS20XX08201440.csv」です。
通信管理情報をメールで送信するときは、以下のように設定します。詳しくは、使用している機種の使用説明書を参照してください。
設定画面タイプ:標準
[ファクス設定]
[導入時詳細設定]
[メール通知設定]
[管理者への通信管理情報メール]
[送信する]設定画面タイプ:従来
[ファクス設定]
[導入設定]タブ
[パラメーター設定]でスイッチ番号「21」のビット番号「4」を選択
現在値を「1」にする

送信されたCSVファイルは本機には残りません。管理者メールアドレスの設定に誤りがあると、大切な通信管理情報が失われることがあります。通信管理情報のメール送信機能を利用するときは、管理者メールアドレスの設定を再度確認することをお勧めします。
通信管理情報のCSVファイルのフォーマット

時刻(Time)
通信が開始された時刻が記載されます。相手先名称(Destination/Sender)
通信した相手先名称が記載されます。通信モード(Line Type/Other Modes)
回線の種類や通信モードが記載されます。通信時間(TXtime/RXtime)
送信、受信にかかった時間です。99分59秒を超えると、「**’**”」と記載されます。枚数(Page(s))
送信、受信した枚数です。999枚を超えると「P. ***」と記載されます。結果(Result)
送信、受信の結果が記載されます。
OK
全ページ正しく送受信できました。インターネットファクスまたはメール送信で「拡張送信」の受信確認を設定したときは、受信確認の応答メールを受信したことを示します。E
正しく送受信できませんでした。メールが正常に受信されなかったときの受信確認応答メールにも表示されます。--
本機に登録されているメールサーバーまでインターネットファクスまたはメールが送信されました(相手先までメールが到達したことを示すものではありません)。D
交信中に電源が切れました。原稿の一部が送信されていません。
ユーザー名(User Name)
ユーザー名称が記載されます。文書番号(File No.)
文書の管理番号です。

管理者メールアドレスが間違っていると、通信管理情報を入手できなくなることがあります。
通信管理情報のメールが送信できなかったときは、通信管理レポートが出力されます。
管理者メールアドレスを確認するには、以下のように押します。詳しくは、使用している機種の使用説明書を参照してください。
設定画面タイプ:標準
[システム設定]
[送信(メール/フォルダー)]
[メール]
[管理者メールアドレス]設定画面タイプ:従来
[システム設定]
[ファイル転送設定]タブ
[管理者メールアドレス]